-
Главная
- УГЛОВОЙ АДАПТЕР 45° MALE JIC 37° - MALE NPT
УГЛОВОЙ АДАПТЕР 45° MALE JIC 37° - MALE NPT
Показать Сайдбар
Каталог
Трубопроводная арматура
- Трубные соединения (Адаптеры по DIN 2353/ISO8434-1)
- Штуцеры и адаптеры для РВД
- Зажимы для гидравлических труб
- Труба прецизионная
Системы смазки
Шланги и Рукава высокого давления
- Стандартные шланги высокого давления
- Специальные шланги высокого давления
- Термопластиковые рукава
- Тефлоновые рукава (PTFE)
Фитинги и муфты для РВД
Защита для РВД
- Гильза обжимная
- Пластиковая защита для РВД
- Металлическая защитная спираль для РВД
- Текстильная защита для РВД
- Огнеупорная защита для РВД
Элементы контроля и диагностики гидросистем
- Манометры
- Контрольные точки
- Микрошланги
- Муфты и фитинги для микрошлангов
- Адапторы для манометров
- Краны "anti-shock" для манометров
- Расходомеры гидравлические
- Указатели уровня масла и температуры
- Диагностические наборы
Уплотнения
- Кольца USIT
- Кольцо резиновое для ORFS
- Кольца круглого сечения ГОСТ 9833-73
- Наборы уплотнительных колец O-RING
Быстроразъемные соединения (БРС)
- БРС ISO 7241-1 A (ISO A)
- БРС ISO 7241-1 B (ISO B)
- Шариковые БРС специальных серий
- БРС FIRG/FLAT FACE ISO 16028
- БРС FLAT FACE различных серий
- БРС на высокое давление 700 bar (серия HPA)
- Резьбовые БРС различных серий
- Заглушки для БРС
Элементы гидросистем
- Краны и диверторы
- Клапана
- Плиты гидравлические
- Гидрораспределители
- Колокола и муфты
- Гидробаки
- Фильтры и фильтроэлементы
- Теплообменники
- Гидроаккумуляторы
- Насосы
Промышленные рукава
Промышленная арматура
Хомуты
Гидростанции и станции фильтрации и перекачки
Показать Сайдбар
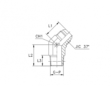
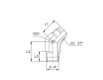
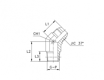
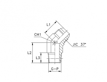
Угольник 45° JIC 7/16" с ввертной резьбой NPTF 1/4" Объекты каталога Основные параметры Поле title Угольник 45° JIC 7/16" с ввертной резьбой NPTF 1/4" Поле h1 Угольник 45° JIC 7/16" с ввертной резьбой NPTF 1/4" Ценовые свойства Цена 231.16 Склады Общее количество на складах 3 Основные характеристики Артикул 201310.3 Старая цена 0 оригинальная цена 0 Изображения Картинка /images/cms/data/import_files/3d/ugol_nik_45_jic_7_16_s_vvertnoj_rez_boj_nptf_1_4.jpg 1C: Специфические свойства Выгружать на сайт 1C: Общие свойства Идентификатор каталога 1С 6ea66bba-55ae-4856-bdf4-5c626dbdb86e Идентификатор в 1С 3d551374-9de9-11eb-8b23-00155d00c802
Артикул: 201310.3
Угольник 45° JIC 7/16" с ввертной резьбой NPTF 1/4"
В наличии
Цена: По запросу
Угольник 45° JIC 1.1/16" с ввертной резьбой NPTF 3/4" ZnNi (K) Объекты каталога Основные параметры Поле title Угольник 45° JIC 1.1/16" с ввертной резьбой NPTF 3/4" ZnNi (K) Поле h1 Угольник 45° JIC 1.1/16" с ввертной резьбой NPTF 3/4" ZnNi (K) Ценовые свойства Цена 152.38 Склады Общее количество на складах 98 Основные характеристики Артикул 201306.3 Старая цена 0 оригинальная цена 0 Изображения Картинка /images/cms/data/import_files/06/ugol_nik_45_jic_1_1_16_s_vvertnoj_rez_boj_nptf_3_4_znni_k.jpg 1C: Специфические свойства Резьба 1 Резьба 2 Выгружать на сайт CAST HANSA-FLEX Eaton 1C: Общие свойства Идентификатор каталога 1С 6ea66bba-55ae-4856-bdf4-5c626dbdb86e Идентификатор в 1С 06b727fc-853d-11ee-9204-00155d00c800
Артикул: 201306.3
Угольник 45° JIC 1.1/16" с ввертной резьбой NPTF 3/4" ZnNi (K)
В наличии
Цена: По запросу
Угольник 45° JIC 7/8" с ввертной резьбой NPTF 1/2" ZnNi (K) Объекты каталога Основные параметры Поле title Угольник 45° JIC 7/8" с ввертной резьбой NPTF 1/2" ZnNi (K) Поле h1 Угольник 45° JIC 7/8" с ввертной резьбой NPTF 1/2" ZnNi (K) Ценовые свойства Цена 86.46 Склады Общее количество на складах 108 Основные характеристики Артикул 201305.3 Старая цена 0 оригинальная цена 0 Изображения Картинка /images/cms/data/import_files/40/ugol_nik_45_jic_7_8_s_vvertnoj_rez_boj_nptf_1_2_znni_k.jpg 1C: Специфические свойства Резьба 1 Резьба 2 Выгружать на сайт CAST HANSA-FLEX Eaton 1C: Общие свойства Идентификатор каталога 1С 6ea66bba-55ae-4856-bdf4-5c626dbdb86e Идентификатор в 1С 4030c975-8542-11ee-9204-00155d00c800
Артикул: 201305.3
Угольник 45° JIC 7/8" с ввертной резьбой NPTF 1/2" ZnNi (K)
В наличии
Цена: По запросу
Угольник 45° JIC 9/16" с ввертной резьбой NPTF 3/8" ZnNi (K) Объекты каталога Основные параметры Поле title Угольник 45° JIC 9/16" с ввертной резьбой NPTF 3/8" ZnNi (K) Поле h1 Угольник 45° JIC 9/16" с ввертной резьбой NPTF 3/8" ZnNi (K) Ценовые свойства Цена 57.14 Склады Общее количество на складах 100 Основные характеристики Артикул 201313.3 Старая цена 0 оригинальная цена 0 Изображения Картинка /images/cms/data/import_files/58/ugol_nik_45_jic_9_16_s_vvertnoj_rez_boj_nptf_3_8_znni_k.jpg 1C: Специфические свойства Резьба 1 Резьба 2 Выгружать на сайт CAST HANSA-FLEX Eaton 1C: Общие свойства Идентификатор каталога 1С 6ea66bba-55ae-4856-bdf4-5c626dbdb86e Идентификатор в 1С 58e57348-8542-11ee-9204-00155d00c800
Артикул: 201313.3
Угольник 45° JIC 9/16" с ввертной резьбой NPTF 3/8" ZnNi (K)
В наличии
Цена: По запросу
Угольник 45° JIC 3/4" с ввертной резьбой NPTF 1/2" Объекты каталога Основные параметры Поле title Угольник 45° JIC 3/4" с ввертной резьбой NPTF 1/2" Поле h1 Угольник 45° JIC 3/4" с ввертной резьбой NPTF 1/2" Ценовые свойства Цена 0 Склады Общее количество на складах 0 Основные характеристики Артикул 201316.3 Старая цена 0 оригинальная цена 0 Изображения Картинка /images/cms/data/import_files/87/ugol_nik_45_jic_3_4_s_vvertnoj_rez_boj_nptf_1_2.jpg 1C: Специфические свойства Резьба 1 Резьба 2 Выгружать на сайт CAST HANSA-FLEX Eaton 1C: Общие свойства Идентификатор каталога 1С 6ea66bba-55ae-4856-bdf4-5c626dbdb86e Идентификатор в 1С 87554a42-c65b-11ee-9fe9-00155d00c800
Артикул: 201316.3
Угольник 45° JIC 3/4" с ввертной резьбой NPTF 1/2"
В наличии
Цена: По запросу
Угольник 45° JIC 9/16" с ввертной резьбой NPTF 3/8" Объекты каталога Основные параметры Поле title Угольник 45° JIC 9/16" с ввертной резьбой NPTF 3/8" Поле h1 Угольник 45° JIC 9/16" с ввертной резьбой NPTF 3/8" Ценовые свойства Цена 863.67 Склады Общее количество на складах 0 Основные характеристики Артикул 201313.3 Старая цена 0 оригинальная цена 0 Изображения Картинка /images/cms/data/import_files/c4/ugol_nik_45_jic_9_16_s_vvertnoj_rez_boj_nptf_3_8.jpg 1C: Специфические свойства Резьба 1 Резьба 2 Выгружать на сайт RASTELLI RACCORDI CAST PARKER Vitillo Hydroscand NONAME HANSA-FLEX Eaton FOR 1C: Общие свойства Идентификатор каталога 1С 6ea66bba-55ae-4856-bdf4-5c626dbdb86e Идентификатор в 1С c4660422-1646-11ed-a322-00155d002700
Артикул: 201313.3
Угольник 45° JIC 9/16" с ввертной резьбой NPTF 3/8"
В наличии
Цена: По запросу
Угольник 45° JIC 7/8" с ввертной резьбой NPTF 1/2" Объекты каталога Основные параметры Поле title Угольник 45° JIC 7/8" с ввертной резьбой NPTF 1/2" Поле h1 Угольник 45° JIC 7/8" с ввертной резьбой NPTF 1/2" Ценовые свойства Цена 962.17 Склады Общее количество на складах 0 Основные характеристики Артикул 201305.3 Старая цена 0 оригинальная цена 0 Изображения Картинка /images/cms/data/import_files/36/ugol_nik_45_jic_7_8_s_vvertnoj_rez_boj_nptf_1_2.jpg 1C: Специфические свойства Резьба 1 Резьба 2 Выгружать на сайт CAST HANSA-FLEX Eaton 1C: Общие свойства Идентификатор каталога 1С 6ea66bba-55ae-4856-bdf4-5c626dbdb86e Идентификатор в 1С 36d501c7-1647-11ed-a322-00155d002700
Артикул: 201305.3
Угольник 45° JIC 7/8" с ввертной резьбой NPTF 1/2"
В наличии
Цена: По запросу
Угольник 45° JIC 1.1/16" с ввертной резьбой NPTF 3/4" Объекты каталога Основные параметры Поле title Угольник 45° JIC 1.1/16" с ввертной резьбой NPTF 3/4" Поле h1 Угольник 45° JIC 1.1/16" с ввертной резьбой NPTF 3/4" Ценовые свойства Цена 1186.02 Склады Общее количество на складах 0 Основные характеристики Артикул 201306.3 Старая цена 0 оригинальная цена 0 Изображения Картинка /images/cms/data/import_files/db/ugol_nik_45_jic_1_1_16_s_vvertnoj_rez_boj_nptf_3_4.jpg 1C: Специфические свойства Резьба 1 Резьба 2 Выгружать на сайт CAST HANSA-FLEX Eaton 1C: Общие свойства Идентификатор каталога 1С 6ea66bba-55ae-4856-bdf4-5c626dbdb86e Идентификатор в 1С db82dc9d-1647-11ed-a322-00155d002700
Артикул: 201306.3
Угольник 45° JIC 1.1/16" с ввертной резьбой NPTF 3/4"
В наличии
Цена: По запросу
Угольник 45° JIC 7/16" с ввертной резьбой NPTF 1/8" Объекты каталога Основные параметры Поле title Угольник 45° JIC 7/16" с ввертной резьбой NPTF 1/8" Поле h1 Угольник 45° JIC 7/16" с ввертной резьбой NPTF 1/8" Ценовые свойства Цена 0 Склады Общее количество на складах 0 Основные характеристики Артикул 201301.3 Старая цена 0 Описание Ввертной угловой адаптер (штуцер в тело-труба) резьбовое соединение с UNF наружной с одной стороны и с наружной NPTF резьбой с другой, под углом 45 градусов. оригинальная цена 0 Изображения Картинка /images/cms/data/import_files/0c/ugol_nik_45_jic_7_16_s_vvertnoj_rez_boj_nptf_1_8.jpg 1C: Специфические свойства Резьба 1 Резьба 2 Выгружать на сайт Производитель CAST PARKER Vitillo Hydroscand NONAME HANSA-FLEX Eaton FOR 1C: Общие свойства Идентификатор каталога 1С 6ea66bba-55ae-4856-bdf4-5c626dbdb86e Идентификатор в 1С 0ce2a17c-d334-11ef-ae2f-00155d00c800
Артикул: 201301.3
Угольник 45° JIC 7/16" с ввертной резьбой NPTF 1/8"
В наличии
Цена: По запросу
Угольник 45° JIC 1/2" с ввертной резьбой NPTF 1/8" Объекты каталога Основные параметры Поле title Угольник 45° JIC 1/2" с ввертной резьбой NPTF 1/8" Поле h1 Угольник 45° JIC 1/2" с ввертной резьбой NPTF 1/8" Ценовые свойства Цена 0 Склады Общее количество на складах 0 Основные характеристики Артикул 201302.3 Старая цена 0 Описание Ввертной угловой адаптер (штуцер в тело-труба) резьбовое соединение с UNF наружной с одной стороны и с наружной NPTF резьбой с другой, под углом 45 градусов. оригинальная цена 0 Изображения Картинка /images/cms/data/import_files/bb/ugol_nik_45_jic_1_2_s_vvertnoj_rez_boj_nptf_1_8.jpg 1C: Специфические свойства Резьба 1 Резьба 2 Выгружать на сайт Производитель CAST PARKER Vitillo NONAME HANSA-FLEX Eaton FOR 1C: Общие свойства Идентификатор каталога 1С 6ea66bba-55ae-4856-bdf4-5c626dbdb86e Идентификатор в 1С bb1827fe-d334-11ef-ae2f-00155d00c800
Артикул: 201302.3
Угольник 45° JIC 1/2" с ввертной резьбой NPTF 1/8"
В наличии
Цена: По запросу
Угольник 45° JIC 9/16" с ввертной резьбой NPTF 1/4" Объекты каталога Основные параметры Поле title Угольник 45° JIC 9/16" с ввертной резьбой NPTF 1/4" Поле h1 Угольник 45° JIC 9/16" с ввертной резьбой NPTF 1/4" Ценовые свойства Цена 0 Склады Общее количество на складах 0 Основные характеристики Артикул 201303.3 Старая цена 0 Описание Ввертной угловой адаптер (штуцер в тело-труба) резьбовое соединение с UNF наружной с одной стороны и с наружной NPTF резьбой с другой, под углом 45 градусов. оригинальная цена 0 Изображения Картинка /images/cms/data/import_files/70/ugol_nik_45_jic_9_16_s_vvertnoj_rez_boj_nptf_1_4.jpg 1C: Специфические свойства Резьба 1 Резьба 2 Выгружать на сайт Производитель RASTELLI RACCORDI CAST PARKER Vitillo NONAME HANSA-FLEX Eaton FOR 1C: Общие свойства Идентификатор каталога 1С 6ea66bba-55ae-4856-bdf4-5c626dbdb86e Идентификатор в 1С 70a7ab07-d338-11ef-ae2f-00155d00c800
Артикул: 201303.3
Угольник 45° JIC 9/16" с ввертной резьбой NPTF 1/4"
В наличии
Цена: По запросу
Угольник 45° JIC 3/4" с ввертной резьбой NPTF 3/8" Объекты каталога Основные параметры Поле title Угольник 45° JIC 3/4" с ввертной резьбой NPTF 3/8" Поле h1 Угольник 45° JIC 3/4" с ввертной резьбой NPTF 3/8" Ценовые свойства Цена 0 Склады Общее количество на складах 0 Основные характеристики Артикул 201304.3 Старая цена 0 Описание Ввертной угловой адаптер (штуцер в тело-труба) резьбовое соединение с UNF наружной с одной стороны и с наружной NPTF резьбой с другой, под углом 45 градусов. оригинальная цена 0 Изображения Картинка /images/cms/data/import_files/f1/ugol_nik_45_jic_3_4_s_vvertnoj_rez_boj_nptf_3_8.jpg 1C: Специфические свойства Резьба 1 Резьба 2 Выгружать на сайт Производитель RASTELLI RACCORDI CAST PARKER Vitillo NONAME FOR 1C: Общие свойства Идентификатор каталога 1С 6ea66bba-55ae-4856-bdf4-5c626dbdb86e Идентификатор в 1С f1e58282-d338-11ef-ae2f-00155d00c800
Артикул: 201304.3
Угольник 45° JIC 3/4" с ввертной резьбой NPTF 3/8"
В наличии
Цена: По запросу
Угольник 45° JIC 1.5/16" с ввертной резьбой NPTF 1" Объекты каталога Основные параметры Поле title Угольник 45° JIC 1.5/16" с ввертной резьбой NPTF 1" Поле h1 Угольник 45° JIC 1.5/16" с ввертной резьбой NPTF 1" Ценовые свойства Цена 0 Склады Общее количество на складах 0 Основные характеристики Артикул 201307.3 Старая цена 0 Описание Ввертной угловой адаптер (штуцер в тело-труба) резьбовое соединение с UNF наружной с одной стороны и с наружной NPTF резьбой с другой, под углом 45 градусов. оригинальная цена 0 Изображения Картинка /images/cms/data/import_files/de/ugol_nik_45_jic_1_5_16_s_vvertnoj_rez_boj_nptf_1.jpg 1C: Специфические свойства Резьба 1 Резьба 2 Выгружать на сайт Производитель RASTELLI RACCORDI CAST PARKER Vitillo Hydroscand NONAME HANSA-FLEX Eaton FOR 1C: Общие свойства Идентификатор каталога 1С 6ea66bba-55ae-4856-bdf4-5c626dbdb86e Идентификатор в 1С deed3196-d33b-11ef-ae2f-00155d00c800
Артикул: 201307.3
Угольник 45° JIC 1.5/16" с ввертной резьбой NPTF 1"
В наличии
Цена: По запросу
Угольник 45° JIC 1.5/8" с ввертной резьбой NPTF 1.1/4" Объекты каталога Основные параметры Поле title Угольник 45° JIC 1.5/8" с ввертной резьбой NPTF 1.1/4" Поле h1 Угольник 45° JIC 1.5/8" с ввертной резьбой NPTF 1.1/4" Ценовые свойства Цена 0 Склады Общее количество на складах 0 Основные характеристики Артикул 201308.3 Старая цена 0 Описание Ввертной угловой адаптер (штуцер в тело-труба) резьбовое соединение с UNF наружной с одной стороны и с наружной NPTF резьбой с другой, под углом 45 градусов. оригинальная цена 0 Изображения Картинка /images/cms/data/import_files/77/ugol_nik_45_jic_1_5_8_s_vvertnoj_rez_boj_nptf_1_1_4.jpg 1C: Специфические свойства Резьба 1 Резьба 2 Выгружать на сайт Производитель RASTELLI RACCORDI CAST PARKER Vitillo Hydroscand NONAME HANSA-FLEX Eaton FOR 1C: Общие свойства Идентификатор каталога 1С 6ea66bba-55ae-4856-bdf4-5c626dbdb86e Идентификатор в 1С 77e1dd23-d33c-11ef-ae2f-00155d00c800
Артикул: 201308.3
Угольник 45° JIC 1.5/8" с ввертной резьбой NPTF 1.1/4"
В наличии
Цена: По запросу
Угольник 45° JIC 1.7/8" с ввертной резьбой NPTF 1.1/2" Объекты каталога Основные параметры Поле title Угольник 45° JIC 1.7/8" с ввертной резьбой NPTF 1.1/2" Поле h1 Угольник 45° JIC 1.7/8" с ввертной резьбой NPTF 1.1/2" Ценовые свойства Цена 0 Склады Общее количество на складах 0 Основные характеристики Артикул 201309.3 Старая цена 0 Описание Ввертной угловой адаптер (штуцер в тело-труба) резьбовое соединение с UNF наружной с одной стороны и с наружной NPTF резьбой с другой, под углом 45 градусов. оригинальная цена 0 Изображения Картинка /images/cms/data/import_files/e1/ugol_nik_45_jic_1_7_8_s_vvertnoj_rez_boj_nptf_1_1_2.jpg 1C: Специфические свойства Резьба 1 Резьба 2 Выгружать на сайт Производитель RASTELLI RACCORDI CAST PARKER Hydroscand NONAME HANSA-FLEX Eaton FOR 1C: Общие свойства Идентификатор каталога 1С 6ea66bba-55ae-4856-bdf4-5c626dbdb86e Идентификатор в 1С e10e3e0a-d33e-11ef-ae2f-00155d00c800
Артикул: 201309.3
Угольник 45° JIC 1.7/8" с ввертной резьбой NPTF 1.1/2"
В наличии
Цена: По запросу
Угольник 45° JIC 1/2" с ввертной резьбой NPTF 1/4" Объекты каталога Основные параметры Поле title Угольник 45° JIC 1/2" с ввертной резьбой NPTF 1/4" Поле h1 Угольник 45° JIC 1/2" с ввертной резьбой NPTF 1/4" Ценовые свойства Цена 0 Склады Общее количество на складах 0 Основные характеристики Артикул 201302.3 Старая цена 0 Описание Ввертной угловой адаптер (штуцер в тело-труба) резьбовое соединение с UNF наружной с одной стороны и с наружной NPTF резьбой с другой, под углом 45 градусов. оригинальная цена 0 Изображения Картинка /images/cms/data/import_files/cc/ugol_nik_45_jic_1_2_s_vvertnoj_rez_boj_nptf_1_4.jpg 1C: Специфические свойства Резьба 1 Резьба 2 Выгружать на сайт Производитель RASTELLI RACCORDI CAST PARKER Vitillo NONAME HANSA-FLEX Eaton FOR 1C: Общие свойства Идентификатор каталога 1С 6ea66bba-55ae-4856-bdf4-5c626dbdb86e Идентификатор в 1С cc730725-d341-11ef-ae2f-00155d00c800
Артикул: 201302.3
Угольник 45° JIC 1/2" с ввертной резьбой NPTF 1/4"
В наличии
Цена: По запросу
Угольник 45° JIC 9/16" с ввертной резьбой NPTF 1/8" Объекты каталога Основные параметры Поле title Угольник 45° JIC 9/16" с ввертной резьбой NPTF 1/8" Поле h1 Угольник 45° JIC 9/16" с ввертной резьбой NPTF 1/8" Ценовые свойства Цена 0 Склады Общее количество на складах 0 Основные характеристики Артикул 201312.3 Старая цена 0 Описание Ввертной угловой адаптер (штуцер в тело-труба) резьбовое соединение с UNF наружной с одной стороны и с наружной NPTF резьбой с другой, под углом 45 градусов. оригинальная цена 0 Изображения Картинка /images/cms/data/import_files/4b/ugol_nik_45_jic_9_16_s_vvertnoj_rez_boj_nptf_1_8.jpg 1C: Специфические свойства Резьба 1 Резьба 2 Выгружать на сайт Производитель RASTELLI RACCORDI CAST PARKER Vitillo HANSA-FLEX Eaton FOR 1C: Общие свойства Идентификатор каталога 1С 6ea66bba-55ae-4856-bdf4-5c626dbdb86e Идентификатор в 1С 4b1d751f-d342-11ef-ae2f-00155d00c800
Артикул: 201312.3
Угольник 45° JIC 9/16" с ввертной резьбой NPTF 1/8"
В наличии
Цена: По запросу
Угольник 45° JIC 9/16" с ввертной резьбой NPTF 1/2" Объекты каталога Основные параметры Поле title Угольник 45° JIC 9/16" с ввертной резьбой NPTF 1/2" Поле h1 Угольник 45° JIC 9/16" с ввертной резьбой NPTF 1/2" Ценовые свойства Цена 0 Склады Общее количество на складах 0 Основные характеристики Артикул 201314.3 Старая цена 0 Описание Ввертной угловой адаптер (штуцер в тело-труба) резьбовое соединение с UNF наружной с одной стороны и с наружной NPTF резьбой с другой, под углом 45 градусов. оригинальная цена 0 Изображения Картинка /images/cms/data/import_files/53/ugol_nik_45_jic_9_16_s_vvertnoj_rez_boj_nptf_1_2.jpg 1C: Специфические свойства Резьба 1 Резьба 2 Выгружать на сайт Производитель RASTELLI RACCORDI CAST PARKER Vitillo NONAME HANSA-FLEX Eaton FOR 1C: Общие свойства Идентификатор каталога 1С 6ea66bba-55ae-4856-bdf4-5c626dbdb86e Идентификатор в 1С 5362f553-d344-11ef-ae2f-00155d00c800
Артикул: 201314.3
Угольник 45° JIC 9/16" с ввертной резьбой NPTF 1/2"
В наличии
Цена: По запросу
Угольник 45° JIC 3/4" с ввертной резьбой NPTF 1/4" Объекты каталога Основные параметры Поле title Угольник 45° JIC 3/4" с ввертной резьбой NPTF 1/4" Поле h1 Угольник 45° JIC 3/4" с ввертной резьбой NPTF 1/4" Ценовые свойства Цена 0 Склады Общее количество на складах 0 Основные характеристики Артикул 201315.3 Старая цена 0 Описание Ввертной угловой адаптер (штуцер в тело-труба) резьбовое соединение с UNF наружной с одной стороны и с наружной NPTF резьбой с другой, под углом 45 градусов. оригинальная цена 0 Изображения Картинка /images/cms/data/import_files/ec/ugol_nik_45_jic_3_4_s_vvertnoj_rez_boj_nptf_1_4.jpg 1C: Специфические свойства Резьба 1 Резьба 2 Выгружать на сайт Производитель RASTELLI RACCORDI CAST PARKER Vitillo HANSA-FLEX Eaton FOR 1C: Общие свойства Идентификатор каталога 1С 6ea66bba-55ae-4856-bdf4-5c626dbdb86e Идентификатор в 1С ec6205e2-d344-11ef-ae2f-00155d00c800
Артикул: 201315.3
Угольник 45° JIC 3/4" с ввертной резьбой NPTF 1/4"
В наличии
Цена: По запросу
Угольник 45° JIC 3/4" с ввертной резьбой NPTF 3/4" Объекты каталога Основные параметры Поле title Угольник 45° JIC 3/4" с ввертной резьбой NPTF 3/4" Поле h1 Угольник 45° JIC 3/4" с ввертной резьбой NPTF 3/4" Ценовые свойства Цена 0 Склады Общее количество на складах 0 Основные характеристики Артикул 201317.3 Старая цена 0 Описание Ввертной угловой адаптер (штуцер в тело-труба) резьбовое соединение с UNF наружной с одной стороны и с наружной NPTF резьбой с другой, под углом 45 градусов. оригинальная цена 0 Изображения Картинка /images/cms/data/import_files/7f/ugol_nik_45_jic_3_4_s_vvertnoj_rez_boj_nptf_3_4.jpg 1C: Специфические свойства Резьба 1 Резьба 2 Выгружать на сайт Производитель RASTELLI RACCORDI CAST PARKER Vitillo HANSA-FLEX Eaton FOR 1C: Общие свойства Идентификатор каталога 1С 6ea66bba-55ae-4856-bdf4-5c626dbdb86e Идентификатор в 1С 7fc8f9b8-d345-11ef-ae2f-00155d00c800
Артикул: 201317.3
Угольник 45° JIC 3/4" с ввертной резьбой NPTF 3/4"
В наличии
Цена: По запросу
Угольник 45° JIC 7/8" с ввертной резьбой NPTF 3/8" Объекты каталога Основные параметры Поле title Угольник 45° JIC 7/8" с ввертной резьбой NPTF 3/8" Поле h1 Угольник 45° JIC 7/8" с ввертной резьбой NPTF 3/8" Ценовые свойства Цена 0 Склады Общее количество на складах 0 Основные характеристики Артикул 201317.3 Старая цена 0 Описание Ввертной угловой адаптер (штуцер в тело-труба) резьбовое соединение с UNF наружной с одной стороны и с наружной NPTF резьбой с другой, под углом 45 градусов. оригинальная цена 0 Изображения Картинка /images/cms/data/import_files/17/ugol_nik_45_jic_7_8_s_vvertnoj_rez_boj_nptf_3_8.jpg 1C: Специфические свойства Резьба 1 Резьба 2 Выгружать на сайт Производитель RASTELLI RACCORDI CAST PARKER Vitillo HANSA-FLEX Eaton FOR 1C: Общие свойства Идентификатор каталога 1С 6ea66bba-55ae-4856-bdf4-5c626dbdb86e Идентификатор в 1С 17a6246e-d3d8-11ef-ae2f-00155d00c800
Артикул: 201317.3
Угольник 45° JIC 7/8" с ввертной резьбой NPTF 3/8"
В наличии
Цена: По запросу
Угольник 45° JIC 7/8" с ввертной резьбой NPTF 3/4" Объекты каталога Основные параметры Поле title Угольник 45° JIC 7/8" с ввертной резьбой NPTF 3/4" Поле h1 Угольник 45° JIC 7/8" с ввертной резьбой NPTF 3/4" Ценовые свойства Цена 0 Склады Общее количество на складах 0 Основные характеристики Артикул 201319.3 Старая цена 0 Описание Ввертной угловой адаптер (штуцер в тело-труба) резьбовое соединение с UNF наружной с одной стороны и с наружной NPTF резьбой с другой, под углом 45 градусов. оригинальная цена 0 Изображения Картинка /images/cms/data/import_files/d4/ugol_nik_45_jic_7_8_s_vvertnoj_rez_boj_nptf_3_4.jpg 1C: Специфические свойства Резьба 1 Резьба 2 Выгружать на сайт Производитель RASTELLI RACCORDI CAST PARKER Vitillo NONAME HANSA-FLEX Eaton FOR 1C: Общие свойства Идентификатор каталога 1С 6ea66bba-55ae-4856-bdf4-5c626dbdb86e Идентификатор в 1С d404c2da-d3d8-11ef-ae2f-00155d00c800
Артикул: 201319.3
Угольник 45° JIC 7/8" с ввертной резьбой NPTF 3/4"
В наличии
Цена: По запросу
Угольник 45° JIC 1.1/16" с ввертной резьбой NPTF 1/2" Объекты каталога Основные параметры Поле title Угольник 45° JIC 1.1/16" с ввертной резьбой NPTF 1/2" Поле h1 Угольник 45° JIC 1.1/16" с ввертной резьбой NPTF 1/2" Ценовые свойства Цена 0 Склады Общее количество на складах 0 Основные характеристики Артикул 201320.3 Старая цена 0 Описание Ввертной угловой адаптер (штуцер в тело-труба) резьбовое соединение с UNF наружной с одной стороны и с наружной NPTF резьбой с другой, под углом 45 градусов. оригинальная цена 0 Изображения Картинка /images/cms/data/import_files/65/ugol_nik_45_jic_1_1_16_s_vvertnoj_rez_boj_nptf_1_2.jpg 1C: Специфические свойства Резьба 1 Резьба 2 Выгружать на сайт Производитель RASTELLI RACCORDI CAST PARKER Vitillo NONAME HANSA-FLEX Eaton FOR 1C: Общие свойства Идентификатор каталога 1С 6ea66bba-55ae-4856-bdf4-5c626dbdb86e Идентификатор в 1С 65185ef7-d3d9-11ef-ae2f-00155d00c800
Артикул: 201320.3
Угольник 45° JIC 1.1/16" с ввертной резьбой NPTF 1/2"
В наличии
Цена: По запросу
Угольник 45° JIC 1.1/16" с ввертной резьбой NPTF 1" Объекты каталога Основные параметры Поле title Угольник 45° JIC 1.1/16" с ввертной резьбой NPTF 1" Поле h1 Угольник 45° JIC 1.1/16" с ввертной резьбой NPTF 1" Ценовые свойства Цена 0 Склады Общее количество на складах 0 Основные характеристики Артикул 201321.3 Старая цена 0 Описание Ввертной угловой адаптер (штуцер в тело-труба) резьбовое соединение с UNF наружной с одной стороны и с наружной NPTF резьбой с другой, под углом 45 градусов. оригинальная цена 0 Изображения Картинка /images/cms/data/import_files/ed/ugol_nik_45_jic_1_1_16_s_vvertnoj_rez_boj_nptf_1.jpg 1C: Специфические свойства Резьба 1 Резьба 2 Выгружать на сайт Производитель CAST NONAME HANSA-FLEX FOR 1C: Общие свойства Идентификатор каталога 1С 6ea66bba-55ae-4856-bdf4-5c626dbdb86e Идентификатор в 1С edbc8df7-d3d9-11ef-ae2f-00155d00c800
Артикул: 201321.3
Угольник 45° JIC 1.1/16" с ввертной резьбой NPTF 1"
В наличии
Цена: По запросу
Угольник 45° JIC 1.5/16" с ввертной резьбой NPTF 3/4" Объекты каталога Основные параметры Поле title Угольник 45° JIC 1.5/16" с ввертной резьбой NPTF 3/4" Поле h1 Угольник 45° JIC 1.5/16" с ввертной резьбой NPTF 3/4" Ценовые свойства Цена 0 Склады Общее количество на складах 0 Основные характеристики Артикул 201322.3 Старая цена 0 Описание Ввертной угловой адаптер (штуцер в тело-труба) резьбовое соединение с UNF наружной с одной стороны и с наружной NPTF резьбой с другой, под углом 45 градусов. оригинальная цена 0 Изображения Картинка /images/cms/data/import_files/98/ugol_nik_45_jic_1_5_16_s_vvertnoj_rez_boj_nptf_3_4.jpg 1C: Специфические свойства Резьба 1 Резьба 2 Выгружать на сайт Производитель RASTELLI RACCORDI CAST PARKER Vitillo NONAME HANSA-FLEX Eaton FOR 1C: Общие свойства Идентификатор каталога 1С 6ea66bba-55ae-4856-bdf4-5c626dbdb86e Идентификатор в 1С 9850b9c5-d3da-11ef-ae2f-00155d00c800
Артикул: 201322.3
Угольник 45° JIC 1.5/16" с ввертной резьбой NPTF 3/4"
В наличии
Цена: По запросу
Угольник 45° JIC 1.5/8" с ввертной резьбой NPTF 1" Объекты каталога Основные параметры Поле title Угольник 45° JIC 1.5/8" с ввертной резьбой NPTF 1" Поле h1 Угольник 45° JIC 1.5/8" с ввертной резьбой NPTF 1" Ценовые свойства Цена 0 Склады Общее количество на складах 0 Основные характеристики Артикул 201323.3 Старая цена 0 Описание Ввертной угловой адаптер (штуцер в тело-труба) резьбовое соединение с UNF наружной с одной стороны и с наружной NPTF резьбой с другой, под углом 45 градусов. оригинальная цена 0 Изображения Картинка /images/cms/data/import_files/a4/ugol_nik_45_jic_1_5_8_s_vvertnoj_rez_boj_nptf_1.jpg 1C: Специфические свойства Резьба 1 Резьба 2 Выгружать на сайт Производитель RASTELLI RACCORDI CAST Vitillo NONAME HANSA-FLEX Eaton FOR 1C: Общие свойства Идентификатор каталога 1С 6ea66bba-55ae-4856-bdf4-5c626dbdb86e Идентификатор в 1С a4a838a6-d3db-11ef-ae2f-00155d00c800
Артикул: 201323.3
Угольник 45° JIC 1.5/8" с ввертной резьбой NPTF 1"
В наличии
Цена: По запросу
Приносим свои извинения, если:
описание, габариты, комплект поставки, технические характеристики, страна производства, коды производителей, внешний вид в описании и цвет товара оказались неточными. Просим Вас требовать у продавца предоставление дополнительной технической документации или проверки в Вашем присутствии или удаленно комплектации, а также наличие и работоспособность как интересующих Вас в товаре функций, так и товара в целом, до его оплаты.