-
Главная
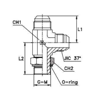
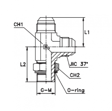
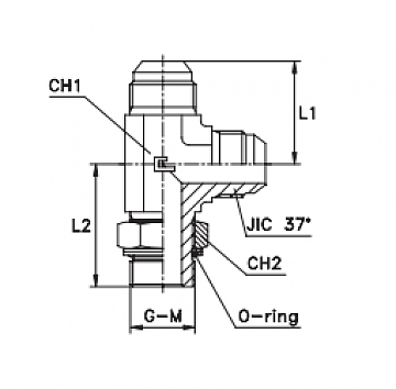
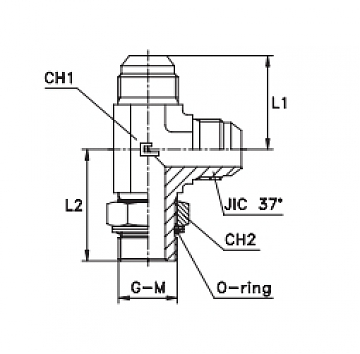
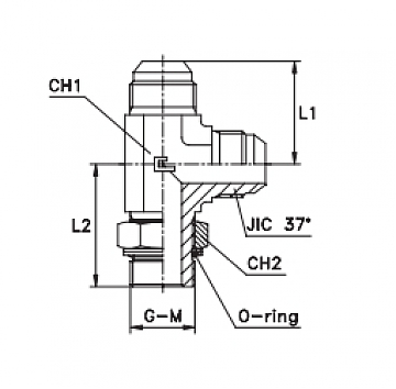
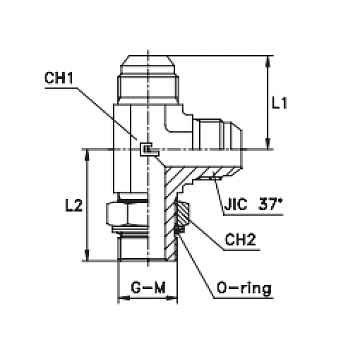
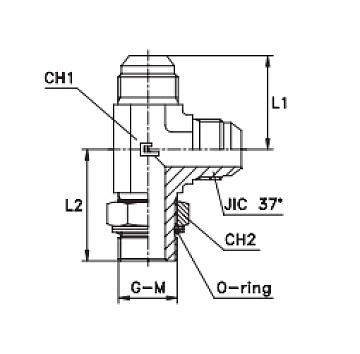
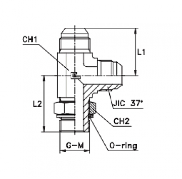
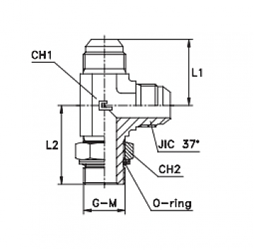
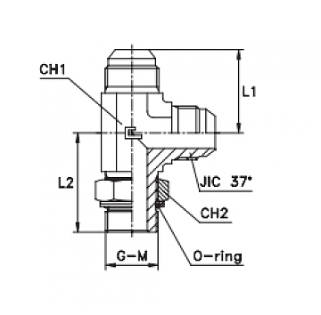
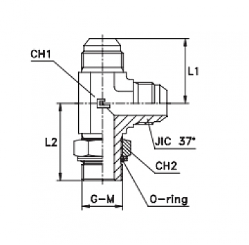
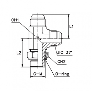
- ТРОЙНИК ВВЕРТНОЙ РЕГУЛИРУЕМЫЙ С БОКУ MALE JIC 37° (Ш - Ш - МЕТРИЧЕСКИЙ ШТУЦЕР ВРШ)
ТРОЙНИК ВВЕРТНОЙ РЕГУЛИРУЕМЫЙ С БОКУ MALE JIC 37° (Ш - Ш - МЕТРИЧЕСКИЙ ШТУЦЕР ВРШ)
Показать Сайдбар
Каталог
Трубопроводная арматура
- Трубные соединения (Адаптеры по DIN 2353/ISO8434-1)
- Штуцеры и адаптеры для РВД
- Зажимы для гидравлических труб
- Труба прецизионная
Системы смазки
Шланги и Рукава высокого давления
- Стандартные шланги высокого давления
- Специальные шланги высокого давления
- Термопластиковые рукава
- Тефлоновые рукава (PTFE)
Фитинги и муфты для РВД
Защита для РВД
- Гильза обжимная
- Пластиковая защита для РВД
- Металлическая защитная спираль для РВД
- Текстильная защита для РВД
- Огнеупорная защита для РВД
Элементы контроля и диагностики гидросистем
- Манометры
- Контрольные точки
- Микрошланги
- Муфты и фитинги для микрошлангов
- Адапторы для манометров
- Краны "anti-shock" для манометров
- Расходомеры гидравлические
- Указатели уровня масла и температуры
- Диагностические наборы
Уплотнения
- Кольца USIT
- Кольцо резиновое для ORFS
- Кольца круглого сечения ГОСТ 9833-73
- Наборы уплотнительных колец O-RING
Быстроразъемные соединения (БРС)
- БРС ISO 7241-1 A (ISO A)
- БРС ISO 7241-1 B (ISO B)
- Шариковые БРС специальных серий
- БРС FIRG/FLAT FACE ISO 16028
- БРС FLAT FACE различных серий
- БРС на высокое давление 700 bar (серия HPA)
- Резьбовые БРС различных серий
- Заглушки для БРС
Элементы гидросистем
- Краны и диверторы
- Клапана
- Плиты гидравлические
- Гидрораспределители
- Колокола и муфты
- Гидробаки
- Фильтры и фильтроэлементы
- Теплообменники
- Гидроаккумуляторы
- Насосы
Промышленные рукава
Промышленная арматура
Хомуты
Гидростанции и станции фильтрации и перекачки
Показать Сайдбар
TN516-JIC 7/16"-М10х1,0 Объекты каталога Основные параметры Поле title TN516-JIC 7/16"-М10х1,0 Поле h1 TN516-JIC 7/16"-М10х1,0 Ценовые свойства Цена 0 Склады Общее количество на складах 0 Основные характеристики Артикул 205101.3 Старая цена 0 оригинальная цена 0 Изображения Картинка /images/cms/data/import_files/f9/tn516-jic_7_16_-m10h1_0_524_1.jpeg 1C: Специфические свойства Резьба 1 Резьба 2 Выгружать на сайт Производитель Максимальное рабочее давление (bar) RASTELLI RACCORDI CAST PARKER NONAME HANSA-FLEX FOR Резьба 3 Vitillo 1C: Общие свойства Идентификатор каталога 1С e100e090-d1c4-47c0-83dd-bb96157ec839 Идентификатор в 1С f982371e-808a-11ef-a00b-00155d00c800
Артикул: 205101.3
TN516-JIC 7/16"-М10х1,0
В наличии
Цена: По запросу
TN516-JIC 1/2"-М12х1,5 Объекты каталога Основные параметры Поле title TN516-JIC 1/2"-М12х1,5 Поле h1 TN516-JIC 1/2"-М12х1,5 Ценовые свойства Цена 0 Склады Общее количество на складах 0 Основные характеристики Артикул 205102.3 Старая цена 0 оригинальная цена 0 Изображения Картинка /images/cms/data/import_files/0c/tn516-jic_1_2_-m12h1_5_524_1.jpeg 1C: Специфические свойства Резьба 1 Резьба 2 Выгружать на сайт Производитель Максимальное рабочее давление (bar) CAST Резьба 3 1C: Общие свойства Идентификатор каталога 1С e100e090-d1c4-47c0-83dd-bb96157ec839 Идентификатор в 1С 0cedf00d-8179-11ef-a00b-00155d00c800
Артикул: 205102.3
TN516-JIC 1/2"-М12х1,5
В наличии
Цена: По запросу
TN516-JIC 9/16"-М14х1,5 Объекты каталога Основные параметры Поле title TN516-JIC 9/16"-М14х1,5 Поле h1 TN516-JIC 9/16"-М14х1,5 Ценовые свойства Цена 0 Склады Общее количество на складах 0 Основные характеристики Артикул 205103.3 Старая цена 0 оригинальная цена 0 Изображения Картинка /images/cms/data/import_files/5a/tn516-jic_9_16_-m14h1_5_524_1.jpeg 1C: Специфические свойства Резьба 1 Резьба 2 Выгружать на сайт Производитель Максимальное рабочее давление (bar) CAST Резьба 3 1C: Общие свойства Идентификатор каталога 1С e100e090-d1c4-47c0-83dd-bb96157ec839 Идентификатор в 1С 5af791fd-8179-11ef-a00b-00155d00c800
Артикул: 205103.3
TN516-JIC 9/16"-М14х1,5
В наличии
Цена: По запросу
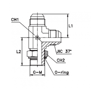
TN516-JIC 3/4"-М16х1,5 Объекты каталога Основные параметры Поле title TN516-JIC 3/4"-М16х1,5 Поле h1 TN516-JIC 3/4"-М16х1,5 Ценовые свойства Цена 0 Склады Общее количество на складах 0 Основные характеристики Артикул 205104.3 Старая цена 0 Описание TN516 Поворотный регулируемый тройник (штуцер с контргайкой в тело с боку). Резьбовое соединение - тройник с дюймовой UNF наружной резьбой и конусом 37° с двух сторон по DIN3852 и с наружной метрической резьбой в тело с боку, притягивается и регулируется угол разворота тройника с помощью контргайки. Поставляется без втулок и гаек (для поставки в комплекте просьба указывать - в сборе). оригинальная цена 0 Изображения Картинка /images/cms/data/import_files/ca/tn516-jic_3_4_-m16h1_5_524_1.jpeg 1C: Специфические свойства Резьба 1 Резьба 2 Выгружать на сайт Производитель Максимальное рабочее давление (bar) RASTELLI RACCORDI CAST PARKER NONAME HANSA-FLEX FOR Резьба 3 Vitillo 1C: Общие свойства Идентификатор каталога 1С e100e090-d1c4-47c0-83dd-bb96157ec839 Идентификатор в 1С ca9d4108-c35b-11ef-ae2f-00155d00c800
Артикул: 205104.3
TN516-JIC 3/4"-М16х1,5
В наличии
Цена: По запросу
TN516-JIC 7/8"-М22х1,5 Объекты каталога Основные параметры Поле title TN516-JIC 7/8"-М22х1,5 Поле h1 TN516-JIC 7/8"-М22х1,5 Ценовые свойства Цена 0 Склады Общее количество на складах 0 Основные характеристики Артикул 205105.3 Старая цена 0 Описание TN516 Поворотный регулируемый тройник (штуцер с контргайкой в тело с боку). Резьбовое соединение - тройник с дюймовой UNF наружной резьбой и конусом 37° с двух сторон по DIN3852 и с наружной метрической резьбой в тело с боку, притягивается и регулируется угол разворота тройника с помощью контргайки. Поставляется без втулок и гаек (для поставки в комплекте просьба указывать - в сборе). оригинальная цена 0 Изображения Картинка /images/cms/data/import_files/b7/tn516-jic_7_8_-m22h1_5_524_1.jpeg 1C: Специфические свойства Резьба 1 Резьба 2 Выгружать на сайт Производитель Максимальное рабочее давление (bar) RASTELLI RACCORDI CAST PARKER NONAME HANSA-FLEX FOR Резьба 3 Vitillo 1C: Общие свойства Идентификатор каталога 1С e100e090-d1c4-47c0-83dd-bb96157ec839 Идентификатор в 1С b7287e90-c35f-11ef-ae2f-00155d00c800
Артикул: 205105.3
TN516-JIC 7/8"-М22х1,5
В наличии
Цена: По запросу
TN516-JIC 1.1/16"-М27х2 Объекты каталога Основные параметры Поле title TN516-JIC 1.1/16"-М27х2 Поле h1 TN516-JIC 1.1/16"-М27х2 Ценовые свойства Цена 0 Склады Общее количество на складах 0 Основные характеристики Артикул 205106.3 Старая цена 0 Описание TN516 Поворотный регулируемый тройник (штуцер с контргайкой в тело с боку). Резьбовое соединение - тройник с дюймовой UNF наружной резьбой и конусом 37° с двух сторон по DIN3852 и с наружной метрической резьбой в тело с боку, притягивается и регулируется угол разворота тройника с помощью контргайки. Поставляется без втулок и гаек (для поставки в комплекте просьба указывать - в сборе). оригинальная цена 0 Изображения Картинка /images/cms/data/import_files/52/tn516-jic_1_1_16_-m27h2_524_1.jpeg 1C: Специфические свойства Резьба 1 Резьба 2 Выгружать на сайт Производитель Максимальное рабочее давление (bar) RASTELLI RACCORDI CAST PARKER NONAME HANSA-FLEX FOR Резьба 3 Vitillo 1C: Общие свойства Идентификатор каталога 1С e100e090-d1c4-47c0-83dd-bb96157ec839 Идентификатор в 1С 524fb6d0-c361-11ef-ae2f-00155d00c800
Артикул: 205106.3
TN516-JIC 1.1/16"-М27х2
В наличии
Цена: По запросу
TN516-JIC 1.5/16"-М33х2 Объекты каталога Основные параметры Поле title TN516-JIC 1.5/16"-М33х2 Поле h1 TN516-JIC 1.5/16"-М33х2 Ценовые свойства Цена 0 Склады Общее количество на складах 0 Основные характеристики Артикул 205107.3 Старая цена 0 Описание TN516 Поворотный регулируемый тройник (штуцер с контргайкой в тело с боку). Резьбовое соединение - тройник с дюймовой UNF наружной резьбой и конусом 37° с двух сторон по DIN3852 и с наружной метрической резьбой в тело с боку, притягивается и регулируется угол разворота тройника с помощью контргайки. Поставляется без втулок и гаек (для поставки в комплекте просьба указывать - в сборе). оригинальная цена 0 Изображения Картинка /images/cms/data/import_files/ef/tn516-jic_1_5_16_-m33h2_524_1.jpeg 1C: Специфические свойства Резьба 1 Резьба 2 Выгружать на сайт Производитель Максимальное рабочее давление (bar) CAST PARKER NONAME HANSA-FLEX FOR Резьба 3 Vitillo 1C: Общие свойства Идентификатор каталога 1С e100e090-d1c4-47c0-83dd-bb96157ec839 Идентификатор в 1С ef5f5295-c372-11ef-ae2f-00155d00c800
Артикул: 205107.3
TN516-JIC 1.5/16"-М33х2
В наличии
Цена: По запросу
TN516-JIC 1.5/8"-М42х2 Объекты каталога Основные параметры Поле title TN516-JIC 1.5/8"-М42х2 Поле h1 TN516-JIC 1.5/8"-М42х2 Ценовые свойства Цена 0 Склады Общее количество на складах 0 Основные характеристики Артикул 205108.3 Старая цена 0 Описание TN516 Поворотный регулируемый тройник (штуцер с контргайкой в тело с боку). Резьбовое соединение - тройник с дюймовой UNF наружной резьбой и конусом 37° с двух сторон по DIN3852 и с наружной метрической резьбой в тело с боку, притягивается и регулируется угол разворота тройника с помощью контргайки. Поставляется без втулок и гаек (для поставки в комплекте просьба указывать - в сборе). оригинальная цена 0 Изображения Картинка /images/cms/data/import_files/aa/tn516-jic_1_5_8_-m42h2_524_1.jpeg 1C: Специфические свойства Резьба 1 Резьба 2 Выгружать на сайт Производитель Максимальное рабочее давление (bar) CAST NONAME HANSA-FLEX FOR Резьба 3 Vitillo 1C: Общие свойства Идентификатор каталога 1С e100e090-d1c4-47c0-83dd-bb96157ec839 Идентификатор в 1С aa57e01f-c373-11ef-ae2f-00155d00c800
Артикул: 205108.3
TN516-JIC 1.5/8"-М42х2
В наличии
Цена: По запросу
TN516-JIC 1.7/8"-М48х2 Объекты каталога Основные параметры Поле title TN516-JIC 1.7/8"-М48х2 Поле h1 TN516-JIC 1.7/8"-М48х2 Ценовые свойства Цена 0 Склады Общее количество на складах 0 Основные характеристики Артикул 205109.3 Старая цена 0 Описание TN516 Поворотный регулируемый тройник (штуцер с контргайкой в тело с боку). Резьбовое соединение - тройник с дюймовой UNF наружной резьбой и конусом 37° с двух сторон по DIN3852 и с наружной метрической резьбой в тело с боку, притягивается и регулируется угол разворота тройника с помощью контргайки. Поставляется без втулок и гаек (для поставки в комплекте просьба указывать - в сборе). оригинальная цена 0 Изображения Картинка /images/cms/data/import_files/19/tn516-jic_1_7_8_-m48h2_524_1.jpeg 1C: Специфические свойства Резьба 1 Резьба 2 Выгружать на сайт Производитель Максимальное рабочее давление (bar) CAST NONAME HANSA-FLEX FOR Резьба 3 1C: Общие свойства Идентификатор каталога 1С e100e090-d1c4-47c0-83dd-bb96157ec839 Идентификатор в 1С 193ce184-c374-11ef-ae2f-00155d00c800
Артикул: 205109.3
TN516-JIC 1.7/8"-М48х2
В наличии
Цена: По запросу
TN516-JIC 7/16"-М12х1,5 Объекты каталога Основные параметры Поле title TN516-JIC 7/16"-М12х1,5 Поле h1 TN516-JIC 7/16"-М12х1,5 Ценовые свойства Цена 0 Склады Общее количество на складах 0 Основные характеристики Артикул 205110.3 Старая цена 0 Описание TN516 Поворотный регулируемый тройник (штуцер с контргайкой в тело с боку). Резьбовое соединение - тройник с дюймовой UNF наружной резьбой и конусом 37° с двух сторон по DIN3852 и с наружной метрической резьбой в тело с боку, притягивается и регулируется угол разворота тройника с помощью контргайки. Поставляется без втулок и гаек (для поставки в комплекте просьба указывать - в сборе). оригинальная цена 0 Изображения Картинка /images/cms/data/import_files/bd/tn516-jic_7_16_-m12h1_5_524_1.jpeg 1C: Специфические свойства Резьба 1 Резьба 2 Выгружать на сайт Производитель Максимальное рабочее давление (bar) CAST NONAME HANSA-FLEX FOR Резьба 3 Vitillo 1C: Общие свойства Идентификатор каталога 1С e100e090-d1c4-47c0-83dd-bb96157ec839 Идентификатор в 1С bd84b02a-c376-11ef-ae2f-00155d00c800
Артикул: 205110.3
TN516-JIC 7/16"-М12х1,5
В наличии
Цена: По запросу
TN516-JIC 1/2"-М10х1 Объекты каталога Основные параметры Поле title TN516-JIC 1/2"-М10х1 Поле h1 TN516-JIC 1/2"-М10х1 Ценовые свойства Цена 0 Склады Общее количество на складах 0 Основные характеристики Артикул 205111.3 Старая цена 0 Описание TN516 Поворотный регулируемый тройник (штуцер с контргайкой в тело с боку). Резьбовое соединение - тройник с дюймовой UNF наружной резьбой и конусом 37° с двух сторон по DIN3852 и с наружной метрической резьбой в тело с боку, притягивается и регулируется угол разворота тройника с помощью контргайки. Поставляется без втулок и гаек (для поставки в комплекте просьба указывать - в сборе). оригинальная цена 0 Изображения Картинка /images/cms/data/import_files/90/tn516-jic_1_2_-m10h1_524_1.jpeg 1C: Специфические свойства Резьба 1 Резьба 2 Выгружать на сайт Производитель Максимальное рабочее давление (bar) CAST HANSA-FLEX FOR Резьба 3 Vitillo 1C: Общие свойства Идентификатор каталога 1С e100e090-d1c4-47c0-83dd-bb96157ec839 Идентификатор в 1С 9024d66e-c379-11ef-ae2f-00155d00c800
Артикул: 205111.3
TN516-JIC 1/2"-М10х1
В наличии
Цена: По запросу
TN516-JIC 1/2"-М14х1,5 Объекты каталога Основные параметры Поле title TN516-JIC 1/2"-М14х1,5 Поле h1 TN516-JIC 1/2"-М14х1,5 Ценовые свойства Цена 0 Склады Общее количество на складах 0 Основные характеристики Артикул 205112.3 Старая цена 0 Описание TN516 Поворотный регулируемый тройник (штуцер с контргайкой в тело с боку). Резьбовое соединение - тройник с дюймовой UNF наружной резьбой и конусом 37° с двух сторон по DIN3852 и с наружной метрической резьбой в тело с боку, притягивается и регулируется угол разворота тройника с помощью контргайки. Поставляется без втулок и гаек (для поставки в комплекте просьба указывать - в сборе). оригинальная цена 0 Изображения Картинка /images/cms/data/import_files/e2/tn516-jic_1_2_-m14h1_5_524_1.jpeg 1C: Специфические свойства Резьба 1 Резьба 2 Выгружать на сайт Производитель Максимальное рабочее давление (bar) CAST NONAME HANSA-FLEX FOR Резьба 3 Vitillo 1C: Общие свойства Идентификатор каталога 1С e100e090-d1c4-47c0-83dd-bb96157ec839 Идентификатор в 1С e258e5e1-c379-11ef-ae2f-00155d00c800
Артикул: 205112.3
TN516-JIC 1/2"-М14х1,5
В наличии
Цена: По запросу
TN516-JIC 9/16"-М16х1,5 Объекты каталога Основные параметры Поле title TN516-JIC 9/16"-М16х1,5 Поле h1 TN516-JIC 9/16"-М16х1,5 Ценовые свойства Цена 0 Склады Общее количество на складах 0 Основные характеристики Артикул 205113.3 Старая цена 0 Описание TN516 Поворотный регулируемый тройник (штуцер с контргайкой в тело с боку). Резьбовое соединение - тройник с дюймовой UNF наружной резьбой и конусом 37° с двух сторон по DIN3852 и с наружной метрической резьбой в тело с боку, притягивается и регулируется угол разворота тройника с помощью контргайки. Поставляется без втулок и гаек (для поставки в комплекте просьба указывать - в сборе). оригинальная цена 0 Изображения Картинка /images/cms/data/import_files/3c/tn516-jic_9_16_-m16h1_5_524_1.jpeg 1C: Специфические свойства Резьба 1 Резьба 2 Выгружать на сайт Производитель Максимальное рабочее давление (bar) CAST NONAME HANSA-FLEX FOR Резьба 3 Vitillo 1C: Общие свойства Идентификатор каталога 1С e100e090-d1c4-47c0-83dd-bb96157ec839 Идентификатор в 1С 3cf9d51c-c37d-11ef-ae2f-00155d00c800
Артикул: 205113.3
TN516-JIC 9/16"-М16х1,5
В наличии
Цена: По запросу
TN516-JIC 3/4"-М18х1,5 Объекты каталога Основные параметры Поле title TN516-JIC 3/4"-М18х1,5 Поле h1 TN516-JIC 3/4"-М18х1,5 Ценовые свойства Цена 0 Склады Общее количество на складах 0 Основные характеристики Артикул 205114.3 Старая цена 0 Описание TN516 Поворотный регулируемый тройник (штуцер с контргайкой в тело с боку). Резьбовое соединение - тройник с дюймовой UNF наружной резьбой и конусом 37° с двух сторон по DIN3852 и с наружной метрической резьбой в тело с боку, притягивается и регулируется угол разворота тройника с помощью контргайки. Поставляется без втулок и гаек (для поставки в комплекте просьба указывать - в сборе). оригинальная цена 0 Изображения Картинка /images/cms/data/import_files/5e/tn516-jic_3_4_-m18h1_5_524_1.jpeg 1C: Специфические свойства Резьба 1 Резьба 2 Выгружать на сайт Производитель Максимальное рабочее давление (bar) RASTELLI RACCORDI CAST PARKER NONAME HANSA-FLEX FOR Резьба 3 Vitillo 1C: Общие свойства Идентификатор каталога 1С e100e090-d1c4-47c0-83dd-bb96157ec839 Идентификатор в 1С 5ec4929d-c383-11ef-ae2f-00155d00c800
Артикул: 205114.3
TN516-JIC 3/4"-М18х1,5
В наличии
Цена: По запросу
TN516-JIC 7/8"-М18х1,5 Объекты каталога Основные параметры Поле title TN516-JIC 7/8"-М18х1,5 Поле h1 TN516-JIC 7/8"-М18х1,5 Ценовые свойства Цена 0 Склады Общее количество на складах 0 Основные характеристики Артикул 205115.3 Старая цена 0 Описание TN516 Поворотный регулируемый тройник (штуцер с контргайкой в тело с боку). Резьбовое соединение - тройник с дюймовой UNF наружной резьбой и конусом 37° с двух сторон по DIN3852 и с наружной метрической резьбой в тело с боку, притягивается и регулируется угол разворота тройника с помощью контргайки. Поставляется без втулок и гаек (для поставки в комплекте просьба указывать - в сборе). оригинальная цена 0 Изображения Картинка /images/cms/data/import_files/97/tn516-jic_7_8_-m18h1_5_524_1.jpeg 1C: Специфические свойства Резьба 1 Резьба 2 Выгружать на сайт Производитель Максимальное рабочее давление (bar) RASTELLI RACCORDI CAST NONAME HANSA-FLEX FOR Резьба 3 Vitillo 1C: Общие свойства Идентификатор каталога 1С e100e090-d1c4-47c0-83dd-bb96157ec839 Идентификатор в 1С 970a1330-c384-11ef-ae2f-00155d00c800
Артикул: 205115.3
TN516-JIC 7/8"-М18х1,5
В наличии
Цена: По запросу
TN516-JIC 7/8"-М20х1,5 Объекты каталога Основные параметры Поле title TN516-JIC 7/8"-М20х1,5 Поле h1 TN516-JIC 7/8"-М20х1,5 Ценовые свойства Цена 0 Склады Общее количество на складах 0 Основные характеристики Артикул 205116.3 Старая цена 0 Описание TN516 Поворотный регулируемый тройник (штуцер с контргайкой в тело с боку). Резьбовое соединение - тройник с дюймовой UNF наружной резьбой и конусом 37° с двух сторон по DIN3852 и с наружной метрической резьбой в тело с боку, притягивается и регулируется угол разворота тройника с помощью контргайки. Поставляется без втулок и гаек (для поставки в комплекте просьба указывать - в сборе). оригинальная цена 0 Изображения Картинка /images/cms/data/import_files/fa/tn516-jic_7_8_-m20h1_5_524_1.jpeg 1C: Специфические свойства Резьба 1 Резьба 2 Выгружать на сайт Производитель Максимальное рабочее давление (bar) CAST FOR Резьба 3 Vitillo 1C: Общие свойства Идентификатор каталога 1С e100e090-d1c4-47c0-83dd-bb96157ec839 Идентификатор в 1С fac2373a-c384-11ef-ae2f-00155d00c800
Артикул: 205116.3
TN516-JIC 7/8"-М20х1,5
В наличии
Цена: По запросу
TN516-JIC 1.1/16"-М22х1,5 Объекты каталога Основные параметры Поле title TN516-JIC 1.1/16"-М22х1,5 Поле h1 TN516-JIC 1.1/16"-М22х1,5 Ценовые свойства Цена 0 Склады Общее количество на складах 0 Основные характеристики Артикул 205117.3 Старая цена 0 Описание TN516 Поворотный регулируемый тройник (штуцер с контргайкой в тело с боку). Резьбовое соединение - тройник с дюймовой UNF наружной резьбой и конусом 37° с двух сторон по DIN3852 и с наружной метрической резьбой в тело с боку, притягивается и регулируется угол разворота тройника с помощью контргайки. Поставляется без втулок и гаек (для поставки в комплекте просьба указывать - в сборе). оригинальная цена 0 Изображения Картинка /images/cms/data/import_files/9b/tn516-jic_1_1_16_-m22h1_5_524_1.jpeg 1C: Специфические свойства Резьба 1 Резьба 2 Выгружать на сайт Производитель Максимальное рабочее давление (bar) RASTELLI RACCORDI CAST NONAME HANSA-FLEX FOR Резьба 3 Vitillo 1C: Общие свойства Идентификатор каталога 1С e100e090-d1c4-47c0-83dd-bb96157ec839 Идентификатор в 1С 9b9642dd-c385-11ef-ae2f-00155d00c800
Артикул: 205117.3
TN516-JIC 1.1/16"-М22х1,5
В наличии
Цена: По запросу
TN516-JIC 1.5/16"-М27х2 Объекты каталога Основные параметры Поле title TN516-JIC 1.5/16"-М27х2 Поле h1 TN516-JIC 1.5/16"-М27х2 Ценовые свойства Цена 0 Склады Общее количество на складах 0 Основные характеристики Артикул 205118.3 Старая цена 0 Описание TN516 Поворотный регулируемый тройник (штуцер с контргайкой в тело с боку). Резьбовое соединение - тройник с дюймовой UNF наружной резьбой и конусом 37° с двух сторон по DIN3852 и с наружной метрической резьбой в тело с боку, притягивается и регулируется угол разворота тройника с помощью контргайки. Поставляется без втулок и гаек (для поставки в комплекте просьба указывать - в сборе). оригинальная цена 0 Изображения Картинка /images/cms/data/import_files/c3/tn516-jic_1_5_16_-m27h2_524_1.jpeg 1C: Специфические свойства Резьба 1 Резьба 2 Выгружать на сайт Производитель Максимальное рабочее давление (bar) RASTELLI RACCORDI CAST NONAME HANSA-FLEX FOR Резьба 3 Vitillo 1C: Общие свойства Идентификатор каталога 1С e100e090-d1c4-47c0-83dd-bb96157ec839 Идентификатор в 1С c3a2221e-c389-11ef-ae2f-00155d00c800
Артикул: 205118.3
TN516-JIC 1.5/16"-М27х2
В наличии
Цена: По запросу
Приносим свои извинения, если:
описание, габариты, комплект поставки, технические характеристики, страна производства, коды производителей, внешний вид в описании и цвет товара оказались неточными. Просим Вас требовать у продавца предоставление дополнительной технической документации или проверки в Вашем присутствии или удаленно комплектации, а также наличие и работоспособность как интересующих Вас в товаре функций, так и товара в целом, до его оплаты.